...

欢迎光临中崎国际

你想找什么货品?

德国TURCK图尔克压力传感器PT100R-2008-U1-H1141

TURCK,TURCK PT100R-2008-U1-H1141,压力传感器PT100R-2008-U1-H1141

货号: #PT100R-2008-U1-H1141
库存: 10 无货

¥3000.00


简介

技术数据设计矩形的结构规模65 x 40 x 40 毫米,CK40额定开关距离40 毫米安装条件非齐平工作电压10… 30 伏直流电输出功能互补接触,PNP开关频率0.250 kHz电气连接连接器,M12 1外壳材料塑料,PBT-GF20-V0,黑色环境温度0...+100 C防护等级IP68 防护等级特殊功能碳检测

产品详情
    • 4位数,2色(红/绿),12段显示屏,可旋转180°

    • 安装工艺连接后,外壳可旋转

    • 金属测量单元

    • 压力峰值孔口

    • 压力范围-1......10巴相对

    • 18…33伏直流

    • NO/NC触点,PNP/NPN输出,模拟输出(电流/电压),IO-Link SSP4.1.1

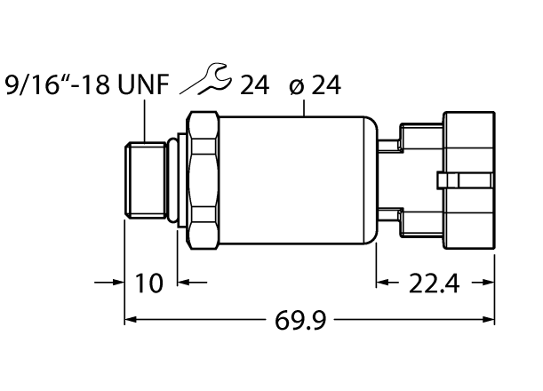
    • 工艺连接 G1/4“ 母螺纹

    • 连接器装置,M12 × 1

技术数据

设计带显示
进程连接G 1/4英寸内线
压力类型相对压力
压力范围杆-1…10巴
压力范围 psi(压力范围)-14.5…145.04 psi压力
工作电压18…33伏直流
电力输出切换输出、电流输出(三线)、电压输出(三线)、输入输出
电压输出0…10 V
电流输出4…20毫安
通信协议IO-Link(国际连接)
电气连接连接器,M12 × 1
房屋材料不锈钢/塑料,1.4404(AISI 316L)/Grilamid TR90 UV/Elastollan C 65 A 15 HPM 000/超中排 A3X2G5
资料(与媒体的联系)不锈钢 1.4404(AISI 316L)/1.4542(AISI 630)
中温-40......+80摄氏度
环境温度-40......+80摄氏度
保护等级IP66/IP67/IP69K
批准CE,计量认证(俄罗斯),cULus


德国TURCK图尔克压力传感器PT25R-2004-IOL-H1141
¥3000.00
德国TURCK图尔克压力传感器PT25R-2004-IOL-H1141
德国TURCK图尔克压力传感器PT600R-2121-I2-AMPS1.5
¥3000.00
德国TURCK图尔克压力传感器PT600R-2121-I2-AMPS1.5