...

欢迎光临中崎国际

你想找什么货品?

德国TURCK图尔克非接触式编码器REI-12HA1T-2B512-H1181

TURCK,TURCK REI-12HA1T-2B512-H1181,非接触式编码器REI-12HA1T-2B512-H1181

货号: #REI-12HA1T-2B512-H1181
库存: 10 无货

¥3000.00


简介

技术数据设计矩形的结构规模65 x 40 x 40 毫米,CK40额定开关距离40 毫米安装条件非齐平工作电压10… 30 伏直流电输出功能互补接触,PNP开关频率0.250 kHz电气连接连接器,M12 1外壳材料塑料,PBT-GF20-V0,黑色环境温度0...+100 C防护等级IP68 防护等级特殊功能碳检测

产品详情
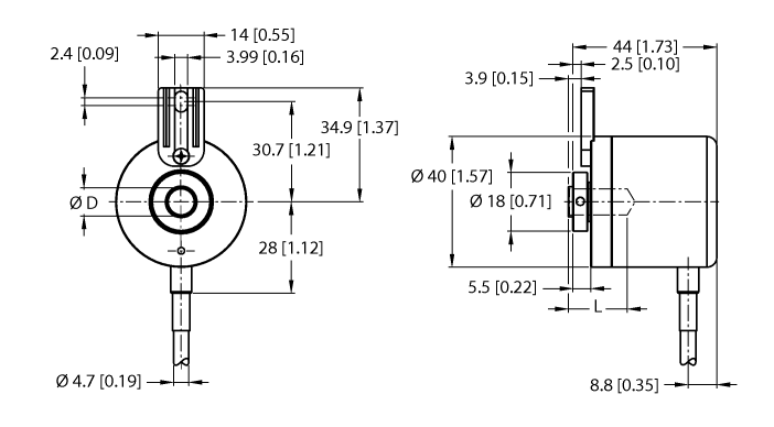
    • 带扭矩挡块的法兰,Ø 50.8 mm

    • 空心轴,直径 8 毫米

    • 光学测量原理

    • 轴材质:不锈钢

    • 外壳和轴侧防护等级 IP67

    • -40...+85 °C

    • 最大转速 6000 rpm(连续运行 3000 rpm)

    • 5…30 伏直流电

    • RS422/TTL 可逆

    • 脉冲频率最大 300 kHz

    • M12 × 1 公头连接器,8 针

    • 每转 2048 个脉冲

技术数据

编码器线工业线
科技光学的
输出类型增量
轴类型空心轴
轴径 D (mm)8
法兰直径直径 50.8 毫米
法兰型带安装元件的法兰
分辨率,增量2048 年入学率
工作电压5…30 伏直流电
输出功能RS422/TTL,可倒置
电气连接连接器,M12 × 1
外壳材料压铸锌
环境温度-40...+85 °C
防护等级轴IP67 防护等级
防护等级IP67 防护等级


德国TURCK图尔克非接触式编码器REI-12H8E-4B1024-H1181
¥3000.00
德国TURCK图尔克非接触式编码器REI-12H8E-4B1024-H1181
德国TURCK图尔克非接触式编码器REI-E-112IA0T-2B2500-C
¥3000.00
德国TURCK图尔克非接触式编码器REI-E-112IA0T-2B2500-C