...

欢迎光临中崎国际

你想找什么货品?

德国TURCK图尔克非接触式编码器RES-181BA0T-7AAR-H1151/N0

TURCK,TURCK RES-181BA0T-7AAR-H1151/N0,非接触式编码器RES-181BA0T-7AAR-H1151/N0

货号: #RES-181BA0T-7AAR-H1151/N0
库存: 10 无货

¥3000.00


简介

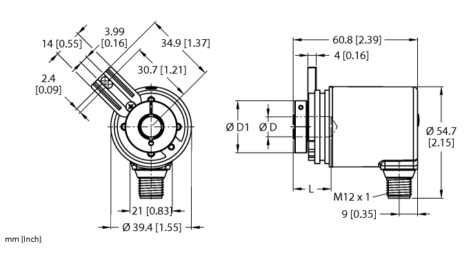
技术数据设计矩形的结构规模65 x 40 x 40 毫米,CK40额定开关距离40 毫米安装条件非齐平工作电压10… 30 伏直流电输出功能互补接触,PNP开关频率0.250 kHz电气连接连接器,M12 1外壳材料塑料,PBT-GF20-V0,黑色环境温度0...+100 C防护等级IP68 防护等级特殊功能碳检测

产品详情
    • 带安装元件的法兰

    • 盲孔空心轴,直径 6.35 毫米(插入深度最大 18.5 毫米)

    • 磁测量原理

    • 轴材质:不锈钢

    • 外壳和轴侧防护等级 IP67

    • -40...+80 °C

    • 最大转速 4000 rpm(连续运行 2000 rpm)

    • 10…30 伏直流电

    • SAE J1939

    • M12 × 1 公头连接器,5 针

    • 单圈分辨率 14 位可扩展,默认 14 位

    • 多圈分辨率可扩展至总分辨率的 29 位,默认为 18 位

    • 总分辨率 32 位可扩展,默认:32 位

技术数据

编码器线工业线
科技
输出类型绝对多圈
轴类型盲孔轴
轴径 D (mm)6.35
轴径 D0.25 英寸
法兰直径直径 36 毫米
法兰型带安装元件的法兰
工作电压10…30 伏直流电
通信协议SAE J1939
电气连接连接器,M12 × 1
外壳材料压铸锌
环境温度-40...+80 °C
防护等级轴IP67 防护等级
防护等级IP67 防护等级


德国TURCK图尔克非接触式编码器REI-E-113T8S-4B2500-H1181
¥3000.00
德国TURCK图尔克非接触式编码器REI-E-113T8S-4B2500-H1181
德国TURCK图尔克非接触式编码器REI-12H10T-2B2500-H1181
¥3000.00
德国TURCK图尔克非接触式编码器REI-12H10T-2B2500-H1181