...

欢迎光临中崎国际

你想找什么货品?

德国TURCK图尔克非接触式编码器RES-185B10E-9D14B-H1151

TURCK,TURCK RES-185B10E-9D14B-H1151,非接触式编码器RES-185B10E-9D14B-H1151

货号: #RES-185B10E-9D14B-H1151
库存: 10 无货

¥3000.00


简介

技术数据设计矩形的结构规模65 x 40 x 40 毫米,CK40额定开关距离40 毫米安装条件非齐平工作电压10… 30 伏直流电输出功能互补接触,PNP开关频率0.250 kHz电气连接连接器,M12 1外壳材料塑料,PBT-GF20-V0,黑色环境温度0...+100 C防护等级IP68 防护等级特殊功能碳检测

产品详情
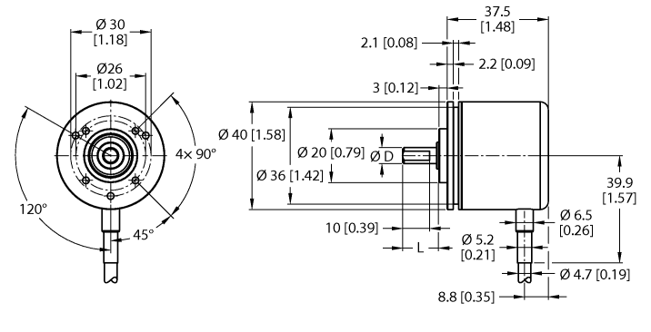
    • 带定子联轴器的法兰,Ø 46 mm

    • 盲孔空心轴,直径 6.35 毫米(插入深度最大 18.5 毫米)

    • 磁测量原理

    • 轴材质:不锈钢

    • 外壳和轴侧防护等级 IP67

    • -40...+85 °C

    • 最大转速 4000 rpm(连续运行 2000 rpm)

    • 能量收集技术

    • 10…30 伏直流电

    • 模拟输出,4...每 16 CW 转 20 mA

    • 12 位分辨率

    • M12 × 1 公头连接器,5 针

技术数据

编码器线工业线
科技
输出类型绝对多圈
轴类型盲孔轴
轴径 D (mm)6.35
轴径 D0.25 英寸
法兰直径直径 46 毫米
法兰型带定子联轴器的法兰
工作电压10…30 伏直流电
输出功能模拟输出
电流输出4…20毫安
电气连接连接器,M12 × 1
外壳材料压铸锌
环境温度-40...+85 °C
防护等级轴IP67 防护等级
防护等级IP67 防护等级


德国TURCK图尔克非接触式编码器REI-E-111T6C-2B100-C
¥3000.00
德国TURCK图尔克非接触式编码器REI-E-111T6C-2B100-C
德国TURCK图尔克非接触式编码器REI-10S6C-4B1000-H1181
¥3000.00
德国TURCK图尔克非接触式编码器REI-10S6C-4B1000-H1181