...

欢迎光临中崎国际

你想找什么货品?

德国TURCK图尔克非接触式编码器REI-05I8E-2H1024-H1181

TURCK,TURCK REI-05I8E-2H1024-H1181,非接触式编码器REI-05I8E-2H1024-H1181

货号: #REI-05I8E-2H1024-H1181
库存: 10 无货

¥3000.00


简介

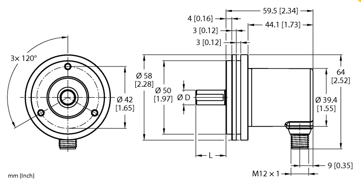
技术数据设计矩形的结构规模65 x 40 x 40 毫米,CK40额定开关距离40 毫米安装条件非齐平工作电压10… 30 伏直流电输出功能互补接触,PNP开关频率0.250 kHz电气连接连接器,M12 1外壳材料塑料,PBT-GF20-V0,黑色环境温度0...+100 C防护等级IP68 防护等级特殊功能碳检测

产品详情
    • 带定子联轴器的法兰,Ø 46 mm

    • 空心轴,Ø 1/4”

    • 光学测量原理

    • 轴材质:黄铜

    • 保护等级轴 IP50

    • 防护等级外壳 IP65

    • -20...+85 °C

    • 最大转/分 6000 转/分

    • 5 伏直流电

    • RS422/TTL 可逆

    • 脉冲频率最大 200 kHz

    • M12 × 1 公头连接器,8 针

    • 每转 200 个脉冲

技术数据

编码器线工业线
科技光学的
输出类型增量
轴类型空心轴
轴径 D (mm)6.35
轴径 D0.25 英寸
法兰直径直径 46 毫米
法兰型带定子联轴器的法兰
分辨率,增量200 人/人
输出功能RS422,可逆
电气连接连接器,M12 × 1
外壳材料铬酸铝
环境温度-20...+85 °C
防护等级轴IP50 防护等级
防护等级IP65 防护等级


德国TURCK图尔克非接触式编码器REI-05IA0T-4A1024-H1181
¥3000.00
德国TURCK图尔克非接触式编码器REI-05IA0T-4A1024-H1181
德国TURCK图尔克非接触式编码器REM-103S6S-5C13S12M-H1181
¥3000.00
德国TURCK图尔克非接触式编码器REM-103S6S-5C13S12M-H1181