...

欢迎光临中崎国际

你想找什么货品?

德国TURCK图尔克非接触式编码器REI-E-112IA0T-2B360-C

TURCK,TURCK REI-E-112IA0T-2B360-C,非接触式编码器REI-E-112IA0T-2B360-C

货号: #REI-E-112IA0T-2B360-C
库存: 10 无货

¥3000.00


简介

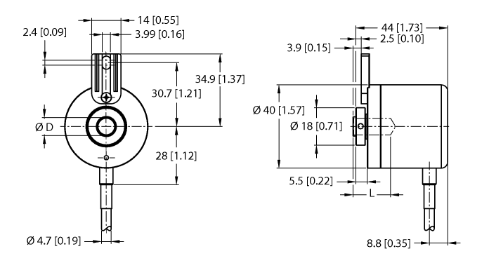
技术数据设计矩形的结构规模65 x 40 x 40 毫米,CK40额定开关距离40 毫米安装条件非齐平工作电压10… 30 伏直流电输出功能互补接触,PNP开关频率0.250 kHz电气连接连接器,M12 1外壳材料塑料,PBT-GF20-V0,黑色环境温度0...+100 C防护等级IP68 防护等级特殊功能碳检测

产品详情
    • 带安装元件的法兰,直径 40 mm

    • 盲孔空心轴,Ø 6.35mm

    • 光学测量原理

    • 轴材质:不锈钢

    • 外壳和轴侧防护等级 IP64

    • -20...+70 °C

    • 最大 4500 转/分

    • 10…30 伏直流电

    • 推挽式/HTL 可逆

    • 脉冲频率最大 300 kHz

    • 电缆连接

    • 每转 360 个脉冲

技术数据

编码器线效率线
科技光学的
输出类型增量
轴类型盲孔轴
轴径 D (mm)6.35
法兰直径直径 40 毫米
法兰型带安装元件的法兰
分辨率,增量360 人
工作电压10…30 伏直流电
输出功能推挽式/HTL,可倒置
电气连接电缆
外壳材料
环境温度-20...+70 °C
防护等级轴IP64 防护等级
防护等级IP64 防护等级


德国TURCK图尔克非接触式编码器REI-E-113T12C-4B1024-H1181
¥3000.00
德国TURCK图尔克非接触式编码器REI-E-113T12C-4B1024-H1181
德国TURCK图尔克非接触式编码器REI-10S6C-4B3600-H1181
¥3000.00
德国TURCK图尔克非接触式编码器REI-10S6C-4B3600-H1181