...

欢迎光临中崎国际

你想找什么货品?

德国TURCK图尔克非接触式编码器REM-190S6C-IOL32B-H1141

TURCK,TURCK REM-190S6C-IOL32B-H1141,非接触式编码器REM-190S6C-IOL32B-H1141

货号: #REM-190S6C-IOL32B-H1141
库存: 10 无货

¥3000.00


简介

技术数据设计矩形的结构规模65 x 40 x 40 毫米,CK40额定开关距离40 毫米安装条件非齐平工作电压10… 30 伏直流电输出功能互补接触,PNP开关频率0.250 kHz电气连接连接器,M12 1外壳材料塑料,PBT-GF20-V0,黑色环境温度0...+100 C防护等级IP68 防护等级特殊功能碳检测

产品详情
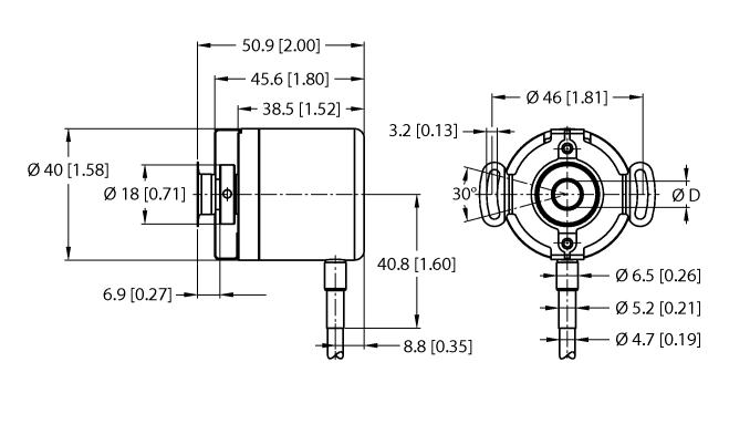
    • 夹紧法兰,Ø 36 mm

    • 实心轴,直径 6 毫米× 12.5 毫米

    • 磁测量原理

    • 轴材质:不锈钢

    • 外壳和轴侧防护等级 IP67

    • -40...+85 °C

    • 最大转速 4000 rpm(连续运行 2000 rpm)

    • 能量收集技术

    • 18…30 伏直流电

    • M12 × 1 公头连接器,4 针

    • 单圈分辨率 14 位可扩展,默认 14 位

    • 多圈分辨率仅可扩展到总分辨率的 18 位,默认为 18 位

    • 总分辨率 32 位可扩展,默认 32 位

技术数据

编码器线工业线
科技
输出类型绝对多圈
轴类型实心轴
轴径 D (mm)6
法兰直径直径 36 毫米
法兰型夹紧法兰
工作电压18…30 伏直流电
通信协议IO-Link 物联网
电气连接连接器,M12 × 1
外壳材料压铸锌
环境温度-40...+85 °C
防护等级轴IP67 防护等级
防护等级IP67 防护等级


德国TURCK图尔克非接触式编码器REI-12HA1T-2B1000-H1181
¥3000.00
德国TURCK图尔克非接触式编码器REI-12HA1T-2B1000-H1181
德国TURCK图尔克非接触式编码器REI-E-112IA0E-2B2500-C
¥3000.00
德国TURCK图尔克非接触式编码器REI-E-112IA0E-2B2500-C