...

欢迎光临中崎国际

你想找什么货品?

德国TURCK图尔克线性位置传感器LTE250M-HT10-LU10-P-0.25-H1151

TURCK,TURCK LTE250M-HT10-LU10-P-0.25-H1151,线性位置传感器LTE250M-HT10-LU10-P-0.25-H1151

货号: #LTE250M-HT10-LU10-P-0.25-H1151
库存: 10 无货

¥3000.00


简介

技术数据设计矩形的结构规模65 x 40 x 40 毫米,CK40额定开关距离40 毫米安装条件非齐平工作电压10… 30 伏直流电输出功能互补接触,PNP开关频率0.250 kHz电气连接连接器,M12 1外壳材料塑料,PBT-GF20-V0,黑色环境温度0...+100 C防护等级IP68 防护等级特殊功能碳检测

产品详情
    • 适用于液压缸

    • 嵌入式外壳设计

    • 该传感器的耐压能力高达 340 bar(永久)、680 bar(短期)

    • 可调节的测量范围

    • 模拟输出 0.5...4.5 伏

    • 0.25 米电缆,带 M12 公头连接器

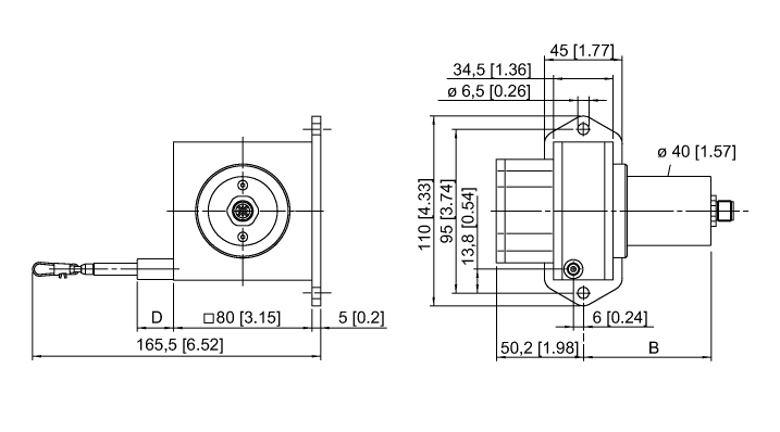
技术数据

设计
测量原理磁 致 伸缩
测量范围250 毫米 [9.84 英寸]
工作电压8…30 伏直流电
输出功能模拟输出
电压输出0.5…4.5 伏
电气连接带连接器的电缆,M12 × 1
外壳材料不锈钢,1.4305 (AISI 303)
环境温度-40...+85 °C
防护等级IP68 防护等级


德国TURCK图尔克线性位置传感器DWE-4000-155-105-9E43B-B3M12
¥3000.00
德国TURCK图尔克线性位置传感器DWE-4000-155-105-9E43B-B3M12
德国TURCK图尔克线性位置传感器DW2000-110-7E-H1441
¥3000.00
德国TURCK图尔克线性位置传感器DW2000-110-7E-H1441