...

欢迎光临中崎国际

你想找什么货品?

德国TURCK图尔克线性位置传感器DWE-30000-135-121-9D38B-H1151

TURCK,TURCK DWE-30000-135-121-9D38B-H1151,线性位置传感器DWE-30000-135-121-9D38B-H1151

货号: #DWE-30000-135-121-9D38B-H1151
库存: 10 无货

¥3000.00


简介

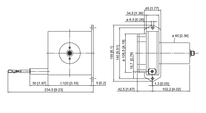
技术数据设计矩形的结构规模65 x 40 x 40 毫米,CK40额定开关距离40 毫米安装条件非齐平工作电压10… 30 伏直流电输出功能互补接触,PNP开关频率0.250 kHz电气连接连接器,M12 1外壳材料塑料,PBT-GF20-V0,黑色环境温度0...+100 C防护等级IP68 防护等级特殊功能碳检测

产品详情
    • 高动态拉丝传感器

    • 永久安装CANopen编码器REM-E-121T10C-9D38B-H1151

    • 测量原理:磁性

    • 传感器防护等级 IP65

    • -20...+85 °C

    • 10…30 伏直流电

    • CANopen

    • M12 × 1 个连接器,5 针

技术数据

设计拉丝
测量原理
工作电压10…30 伏直流电
通信协议CANopen
电气连接连接器,M12 × 1
外壳材料钛阳极氧化铝
环境温度-20...+85 °C
防护等级IP65 防护等级


德国TURCK图尔克线性位置传感器LTE600M-HT10-LU10-P-0.25-H1151
¥3000.00
德国TURCK图尔克线性位置传感器LTE600M-HT10-LU10-P-0.25-H1151
德国TURCK图尔克线性位置传感器DW1000-110-PA-H1441
¥3000.00
德国TURCK图尔克线性位置传感器DW1000-110-PA-H1441