...

欢迎光临中崎国际

你想找什么货品?

德国HBM带两个栅丝的T型应变花1-XY9x-1.5/120

德国HBM,带两个栅丝的T型应变花1-XY9x-1.5/120

货号: #1-XY9x-1.5/120
库存: 10 无货
品牌: 德国HMB

¥1690.00 ¥1590.00


简介

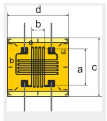
LY: 带有 1 个测量栅丝的直片应变片

产品详情

LY 系列… 是进行单个方向应变测量的第一选择。型号 LY1, LY2, LY4, LY5, LY6, LY7 和 LY8 具有不同的几何尺寸, 提供适配以下材料的温度响应系数:

  • 铁素体钢 (10.8 ppm/K; 6.0 ppm/°F); 温度匹配编码: 1

  • 铝 (23 ppm/K; 12.8 ppm/°F); 温度匹配编码: 3

  • 奥氏体钢(16 ppm/K, 8.9 ppm/°F); 温度匹配编码: 5

  • 石英玻璃/复合材料 (0,5 ppm/K; 0.3 ppm/°F); 温度匹配编码: 6

  • 钛和灰铸铁 (9 ppm/K; 5.0 ppm/°F); 温度匹配编码: 7

  • 塑料 (65 ppm/K; 36.1 ppm/°F); 温度匹配编码: 8

  • 钼 (5.4 ppm/K; 3.0 ppm/°F); 温度匹配编码: 9

用温度匹配编码替代占位符 “x” 即可获得您所需应变片的订购号。标记 # 仅仅适用于铝、铁素体和奥氏体钢。


德国HBM带两个栅丝的T型应变花1-XY9x-3/120
¥1590.00
德国HBM带两个栅丝的T型应变花1-XY9x-3/120
德国HBM带通用焊盘的T型应变花1-XY7x-6/350
¥1590.00
德国HBM带通用焊盘的T型应变花1-XY7x-6/350